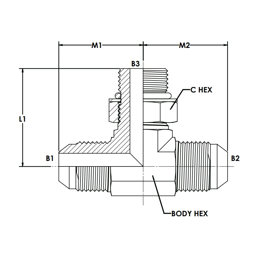
6803-04-04-04-NWO (04MJ-04MJ-04MAORB Branch Tee)
6803-04-04-04-NWO (04MJ-04MJ-04MAORB Branch Tee)
      Regular price
      
        $8.25 USD
      
    
    
        Regular price
        
          
            
              
            
          
        Sale price
      
        $8.25 USD
      
    
    
      Unit price
      
        
        
         per 
        
        
      
    
  Couldn't load pickup availability
| TUBE O.D. | 1/4 | 
| B1 SAE 37 | 7/16-20 | 
| B2 SAE 37 | 7/16-20 | 
| B3 SAE ORB | 7/16-20 | 
| B1 DRILL | 0.172 | 
| B2 DRILL | 0.172 | 
| B3 DRILL | 0.172 | 
| M1 LGTH | 0.89 | 
| M2 LGTH | 0.89 | 
| M7 LGTH | 1.03 | 
| C HEX | 0.563 | 
| Y FLATS | 0.438 | 
| MATERIAL | STEEL FORGED | 
