5504-08-06-FG (08FP-06FP 90° Elbow Forged)
5504-08-06-FG (08FP-06FP 90° Elbow Forged)
Regular price
$8.13 USD
Regular price
Sale price
$8.13 USD
Unit price
per
Couldn't load pickup availability
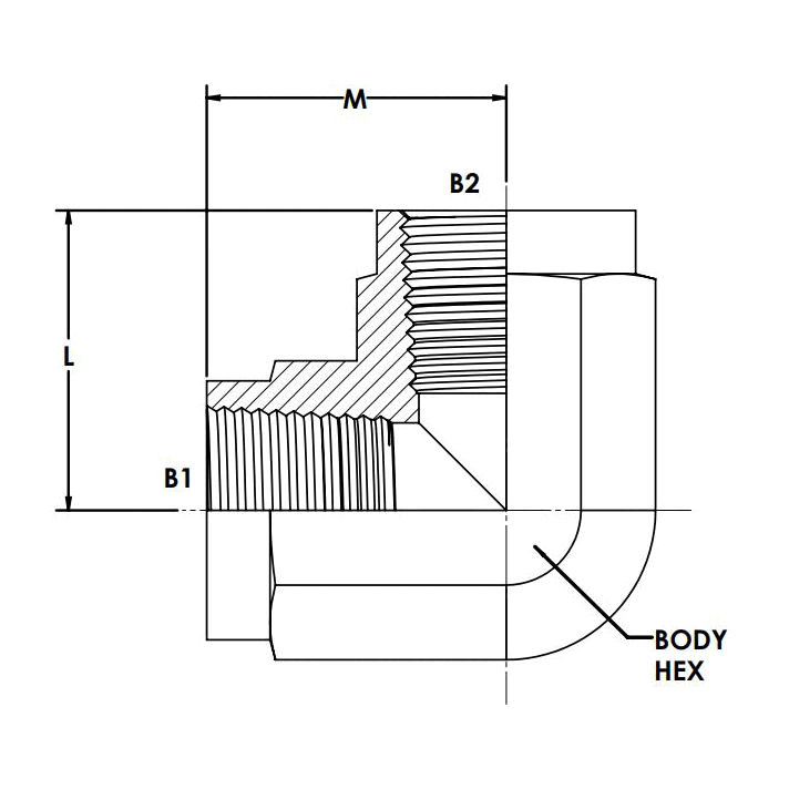
| THREAD B1 TYPE | FEMALE NPTF |
| THREAD B1 SIZE | 1/2-14 |
| THREAD B1 SPECIFICATION | SAE J476 |
| THREAD B2 TYPE | FEMALE NPTF |
| THREAD B2 SIZE | 3/8-18 |
| THREAD B2 SPECIFICATION | SAE J476 |
| BODY HEX | 1.062 |
| CENTERLINE LENGTH M | 1.23 |
| CENTERLINE LENGTH L | 1.01 |
| SHAPE | 90 DEGREE ANGLE |
| BODY MATERIAL | STEEL |
| RAW MATERIAL TYPE | STEEL FORGING |
| PLATING | CR3 |
| WEIGHT (LBS) | 0.369 |
| MAXIMUM DYNAMIC PRESSURE (PSI) | 5,000 |
