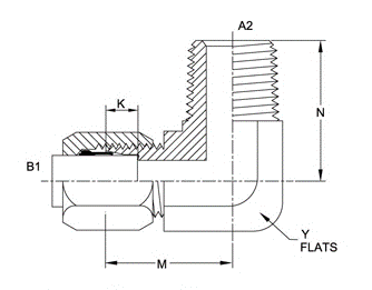
C2501-04-04-FG (04BT-04MP 90° Elbow Forged)
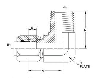
C2501-04-04-FG (04BT-04MP 90° Elbow Forged)
Regular price
$7.34 USD
Regular price
Sale price
$7.34 USD
Unit price
per
Couldn't load pickup availability
| TUBE O.D. | 1/4 |
| B1 THREAD | 7/16-20 |
| A2 NPTF | 1/4-18 |
| B1 DRILL | 0.203 |
| A2 DRILL | 0.281 |
| M LGTH | 1.030 |
| N LGTH | 1.090 |
| K DEPTH | 0.234 |
| Y FLATS | 0.562 |
| MATERIAL | STEEL FORGED |
