6801-05-05-NWO-FG (05MJ-05MAORB 90° Elbow Forged)
6801-05-05-NWO-FG (05MJ-05MAORB 90° Elbow Forged)
Regular price
$3.70 USD
Regular price
Sale price
$3.70 USD
Unit price
per
Couldn't load pickup availability
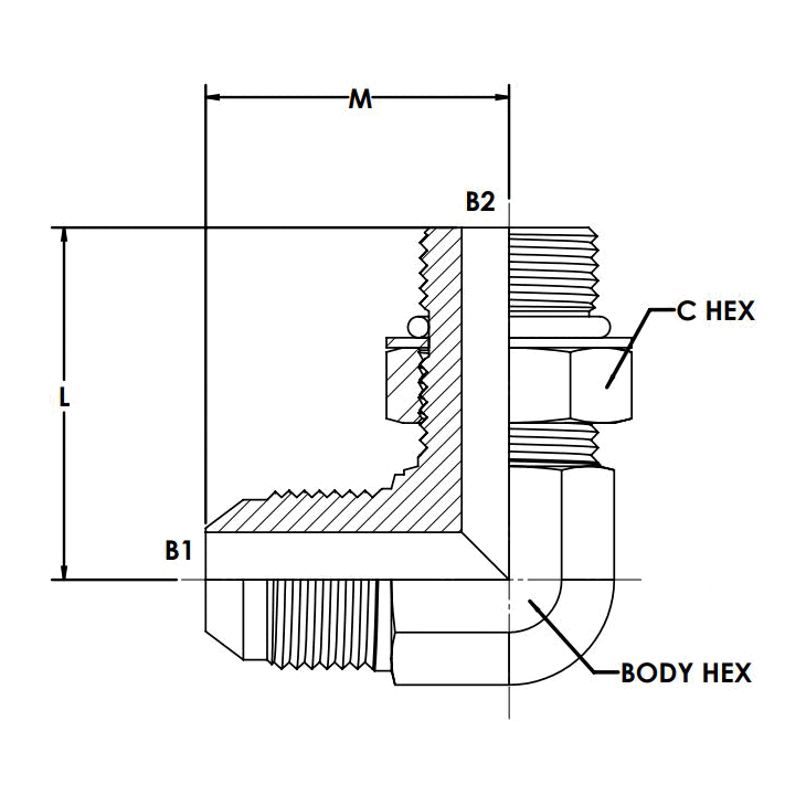
| THREAD B1 TYPE | MALE JIC SAE 37 DEGREE FLARE |
| THREAD B1 SIZE | 1/2-20 |
| THREAD B1 DRILL | 0.234 |
| THREAD B1 SPECIFICATION | SAE J514 |
| THREAD B2 TYPE | MALE SAE ADJUSTABLE ORING BOSS |
| THREAD B2 SIZE | 1/2-20 |
| THREAD B2 DRILL | 0.234 |
| THREAD B2 SPECIFICATION | SAE J514 |
| BODY HEX | 0.562 |
| C HEX 1 | 0.625 |
| CENTERLINE LENGTH M | 0.95 |
| CENTERLINE LENGTH L | 1.13 |
| SHAPE | 90 DEGREE ANGLE |
| BODY MATERIAL | STEEL |
| RAW MATERIAL TYPE | STEEL FORGING |
| PLATING | CR3 |
| O-RING / SEAL MATERIAL | NBR |
| WEIGHT (LBS) | 0.106 |
| MAXIMUM DYNAMIC PRESSURE (PSI) | 6,000 |
