1502-06-06-FG (06FP-06FPS 90° Elbow Forged)
1502-06-06-FG (06FP-06FPS 90° Elbow Forged)
Regular price
$5.08 USD
Regular price
Sale price
$5.08 USD
Unit price
per
Couldn't load pickup availability
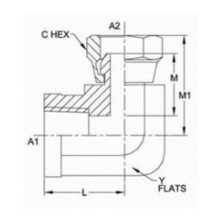
| THREAD A1 TYPE | FEMALE NPTF |
| THREAD A1 SIZE | 3/8-18 |
| THREAD A1 SPECIFICATION | SAE J476 |
| THREAD A2 TYPE | FEMALE NPSM SWIVEL |
| THREAD A2 SIZE | 3/8-18 |
| THREAD A2 DRILL | 0.320 |
| THREAD A2 SPECIFICATION | SAE J514 |
| BODY HEX | 0.875 |
| C HEX 1 | 0.875 |
| CENTERLINE LENGTH L | 1.02 |
| CENTERLINE LENGTH M1 | 1.27 |
| CENTERLINE LENGTH M | 1.06 |
| SHAPE | 90 DEGREE ANGLE |
| BODY MATERIAL | STEEL |
| RAW MATERIAL TYPE | STEEL FORGING |
| PLATING | CR3 |
| WEIGHT (LBS) | 0.263 |
| MAXIMUM DYNAMIC PRESSURE (PSI) | 6,000 |
