6500-06-06-FG (06MJ-06FJS 90° Elbow Forged)
6500-06-06-FG (06MJ-06FJS 90° Elbow Forged)
Regular price
$2.61 USD
Regular price
Sale price
$2.61 USD
Unit price
per
Couldn't load pickup availability
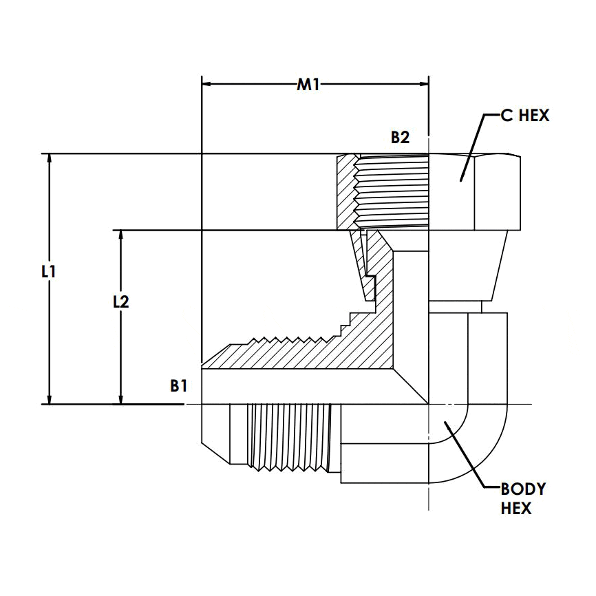
| TUBE O.D. | 3/8 |
| B1 SAE 37 | 9/16-18 |
| B2 SAE 37 | 9/16-18 |
| B1 DRILL | 0.297 |
| B2 DRILL | 0.297 |
| M LGTH | 1.06 |
| M4 LGTH | 0.87 |
| M6 LGTH | 1.25 |
| C HEX | 0.688 |
| Y FLATS | 0.562 |
| MATERIAL | STEEL FORGED |
