6801-08-08-NWO-FG (08MJ-08MAORB 90° Elbow Forged)
6801-08-08-NWO-FG (08MJ-08MAORB 90° Elbow Forged)
      Regular price
      
        $3.61 USD
      
    
    
        Regular price
        
          
            
              
            
          
        Sale price
      
        $3.61 USD
      
    
    
      Unit price
      
        
        
         per 
        
        
      
    
  Couldn't load pickup availability
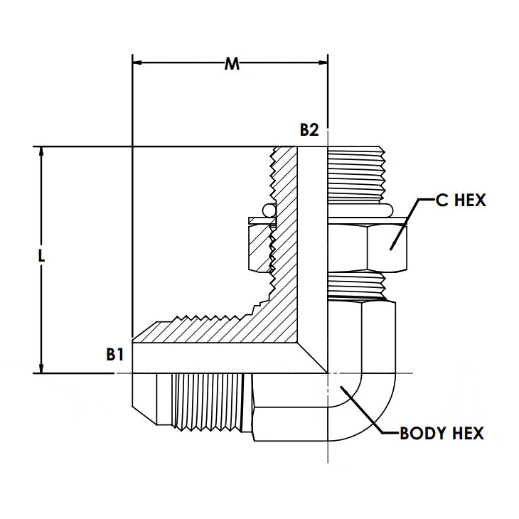
| THREAD B1 TYPE | MALE JIC SAE 37 DEGREE FLARE | 
| THREAD B1 SIZE | 3/4-16 | 
| THREAD B1 DRILL | 0.391 | 
| THREAD B1 SPECIFICATION | SAE J514 | 
| THREAD B2 TYPE | MALE SAE ADJUSTABLE ORING BOSS | 
| THREAD B2 SIZE | 3/4-16 | 
| THREAD B2 DRILL | 0.391 | 
| THREAD B2 SPECIFICATION | SAE J514 | 
| BODY HEX | 0.750 | 
| C HEX 1 | 0.875 | 
| CENTERLINE LENGTH M | 1.25 | 
| CENTERLINE LENGTH L | 1.45 | 
| SHAPE | 90 DEGREE ANGLE | 
| BODY MATERIAL | STEEL | 
| RAW MATERIAL TYPE | STEEL FORGING | 
| PLATING | CR3 | 
| O-RING / SEAL MATERIAL | NBR | 
| WEIGHT (LBS) | 0.248 | 
| MAXIMUM DYNAMIC PRESSURE (PSI) | 6,000 | 
