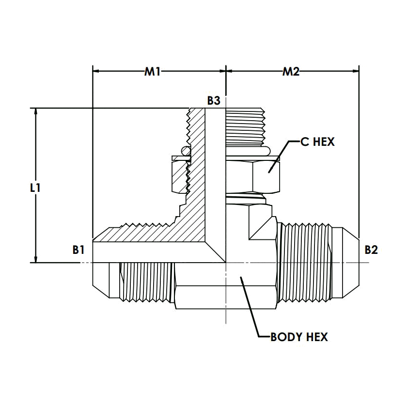
6803-08-08-08-NWO-FG (08MJ-08MJ-08MAORB Branch Tee ...)
6803-08-08-08-NWO-FG (08MJ-08MJ-08MAORB Branch Tee ...)
      Regular price
      
        $6.41 USD
      
    
    
        Regular price
        
          
            
              
            
          
        Sale price
      
        $6.41 USD
      
    
    
      Unit price
      
        
        
         per 
        
        
      
    
  Couldn't load pickup availability
| TUBE O.D. | 1/2 | 
| B1 SAE 37 | 3/4-16 | 
| B2 SAE 37 | 3/4-16 | 
| B3 SAE ORB | 3/4-16 | 
| B1 DRILL | 0.391 | 
| B2 DRILL | 0.391 | 
| B3 DRILL | 0.391 | 
| M1 LGTH | 1.25 | 
| M2 LGTH | 1.25 | 
| M7 LGTH | 1.45 | 
| C HEX | 0.875 | 
| Y FLATS | 0.750 | 
| MATERIAL | STEEL FORGED | 
