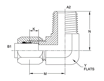
C2501-10-06-FG (10BT-06MP 90° Elbow Forged)
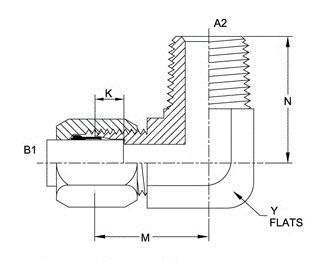
C2501-10-06-FG (10BT-06MP 90° Elbow Forged)
Regular price
$14.12 USD
Regular price
Sale price
$14.12 USD
Unit price
per
Couldn't load pickup availability
| TUBE O.D. | 5/8 |
| B1 THREAD | 7/8-14 |
| A2 NPTF | 3/8-18 |
| B1 DRILL | 0.500 |
| A2 DRILL | 0.406 |
| M LGTH | 1.420 |
| N LGTH | 1.280 |
| K DEPTH | 0.350 |
| Y FLATS | 0.875 |
| MATERIAL | STEEL COMPRESSION |
