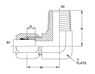
C2501-12-08-FG (12BT-08MP 90° Elbow Forged)
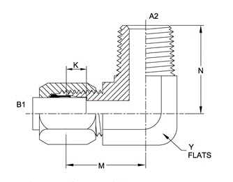
C2501-12-08-FG (12BT-08MP 90° Elbow Forged)
Regular price
$37.28 USD
Regular price
Sale price
$37.28 USD
Unit price
per
Couldn't load pickup availability
| TUBE O.D. | 3/4 |
| B1 THREAD | 1-1/16-12 |
| A2 NPTF | 1/2-14 |
| B1 DRILL | 0.656 |
| A2 DRILL | 0.531 |
| M LGTH | 1.580 |
| N LGTH | 1.590 |
| K DEPTH | 0.350 |
| Y FLATS | 1.062 |
| MATERIAL | STEEL FORGED |
