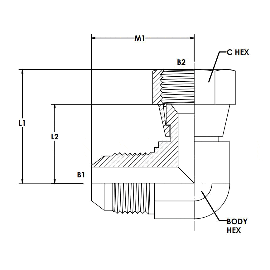
6500-12-12-FG (12MJ-12FJS 90° Elbow Forged)
6500-12-12-FG (12MJ-12FJS 90° Elbow Forged)
Regular price
$5.99 USD
Regular price
Sale price
$5.99 USD
Unit price
per
Couldn't load pickup availability
| TUBE O.D. | 3/4 |
| B1 SAE 37 | 1-1/16-12 |
| B2 SAE 37 | 1-1/16-12 |
| B1 DRILL | 0.609 |
| B2 DRILL | 0.609 |
| M LGTH | 1.66 |
| M4 LGTH | 1.18 |
| M6 LGTH | 1.75 |
| C HEX | 1.250 |
| Y FLATS | 1.062 |
| MATERIAL | STEEL FORGED |
