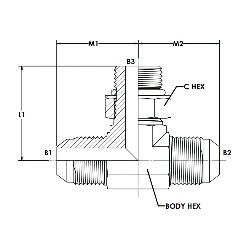
6803-12-12-12-NWO-FG (12MJ-12MJ-12MAORB Branch Tee ...)
6803-12-12-12-NWO-FG (12MJ-12MJ-12MAORB Branch Tee ...)
      Regular price
      
        $13.21 USD
      
    
    
        Regular price
        
          
            
              
            
          
        Sale price
      
        $13.21 USD
      
    
    
      Unit price
      
        
        
         per 
        
        
      
    
  Couldn't load pickup availability
| TUBE O.D. | 3/4 | 
| B1 SAE 37 | 1-1/16-12 | 
| B2 SAE 37 | 1-1/16-12 | 
| B3 SAE ORB | 1-1/16-12 | 
| B1 DRILL | 0.609 | 
| B2 DRILL | 0.609 | 
| B3 DRILL | 0.609 | 
| M1 LGTH | 1.66 | 
| M2 LGTH | 1.66 | 
| M7 LGTH | 1.94 | 
| C HEX | 1.250 | 
| Y FLATS | 1.062 | 
| MATERIAL | STEEL FORGED | 
