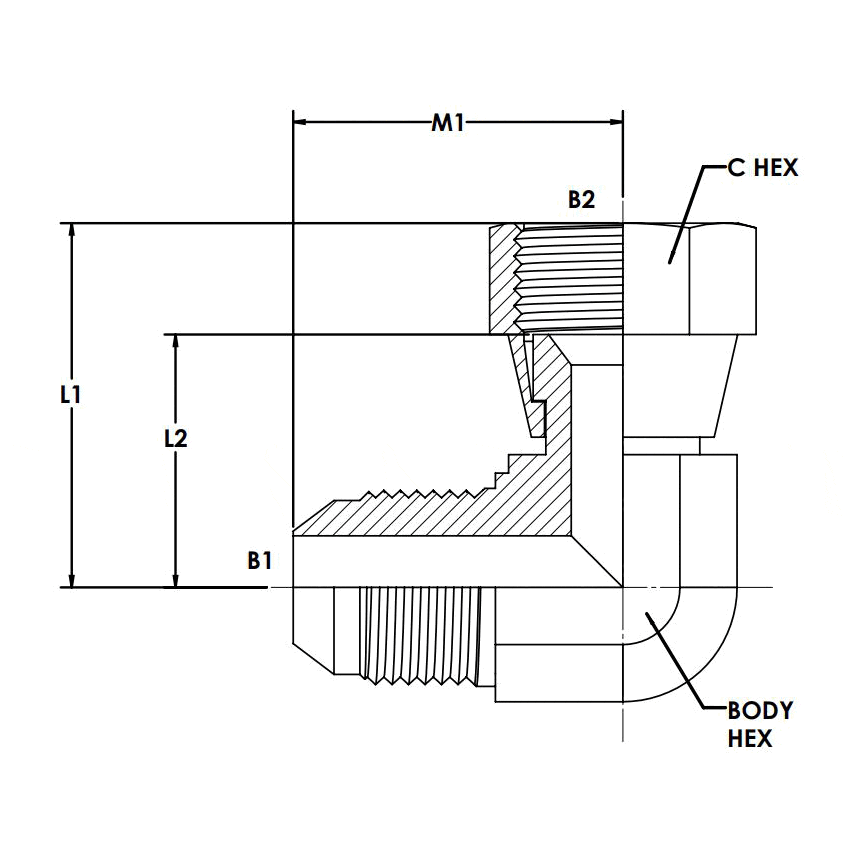
6500-16-16-FG (16MJ-16FJS 90° Elbow Forged)
6500-16-16-FG (16MJ-16FJS 90° Elbow Forged)
Regular price
$10.21 USD
Regular price
Sale price
$10.21 USD
Unit price
per
Couldn't load pickup availability
| TUBE O.D. | 1 |
| B1 SAE 37 | 1-5/16-12 |
| B2 SAE 37 | 1-5/16-12 |
| B1 DRILL | 0.844 |
| B2 DRILL | 0.844 |
| M LGTH | 1.81 |
| M4 LGTH | 1.40 |
| M6 LGTH | 2.00 |
| C HEX | 1.500 |
| Y FLATS | 1.312 |
| MATERIAL | STEEL FORGED |
